BETWAY·必威(西汉姆联)官方网站-West Ham United
销售热线:4001 000 129
中文
/
EN
betway88西汉姆联
关于我们
公司简介
董事长致辞
品牌故事
企业文化
发展历程
企业风貌
荣誉资质
新闻中心
公司新闻
行业动态
产品展示
石墨热交换器
石墨吸收器
碳化硅设备
石墨塔器
石墨储罐
石墨管件
石墨特性
产品应用
工艺系统
系统装置
系统案例
服务支持
技术咨询
服务承诺
维护保养
人力资源
人才理念
人才招聘
联系我们
联系我们
中文
/
EN
请输入关键词 :
提交
系统装置
系统装置
系统案例
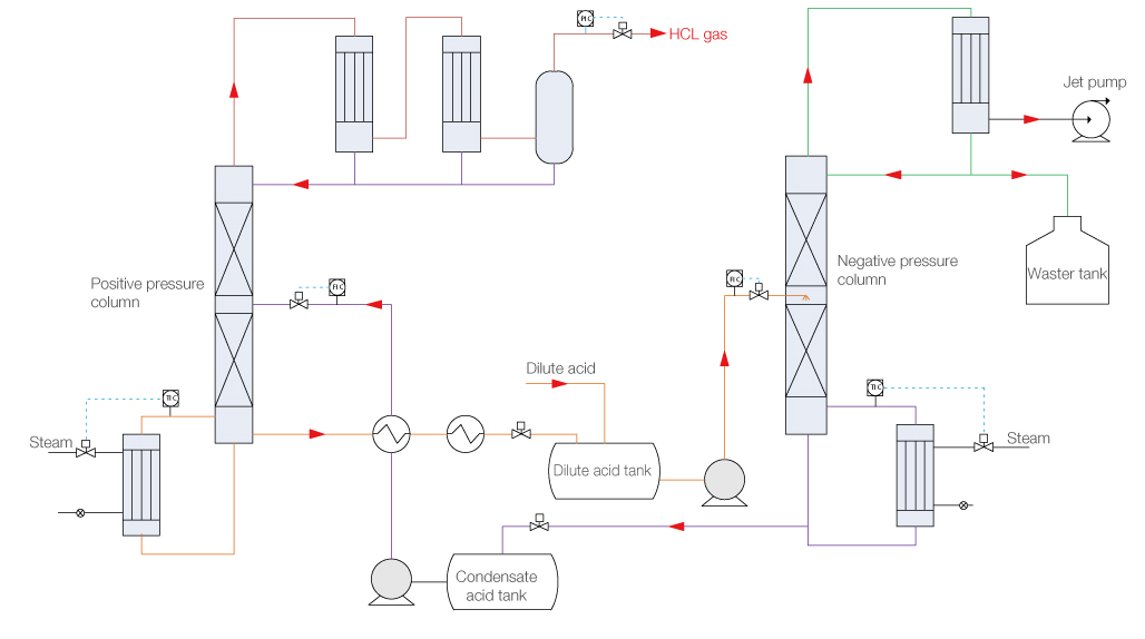
差压蒸馏系统
时间:2019-03-08 09:35:00
字号
产品描述:
此工艺利用盐酸共沸浓度随压力的变化而变化生产出HCL气体。
负压浓缩盐酸正压解吸出HCL气体。但此方法相比萃取法蒸汽耗高,且投资大。
上一篇
盐酸萃取精馏系统
2019-03-08
下一篇
污酸处理蒸发系统
2019-03-08
返回列表